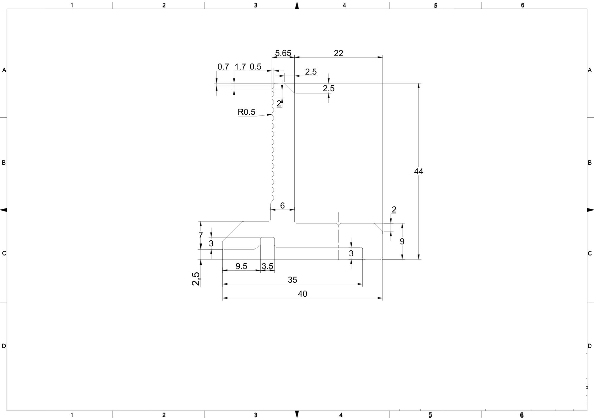
Clema de prindere din aluminiu compatibilă cu șina R19/R22
Aceasta asigură fixarea fermă și stabilă a șinelor de montaj, garantând o instalare sigură și durabilă.
Material: Aluminiu, cunoscut pentru durabilitate și rezistența la coroziune.
Compatibilitate: Proiectată special pentru a fi compatibilă cu șinele de montaj tip R19 și R22.
Durabilitate: Aluminiul este rezistent la intemperii și coroziune, asigurând o durată lungă de viață a clemei.
Fixare Sigură: Designul clemei permite o fixare fermă a șinelor, prevenind mișcările sau deplasările neintenționate.
Compatibilitate Universală: Compatibilitatea cu șinele R19 și R22 o face versatilă pentru diverse sisteme de montaj.
Instalare Ușoară: Sistemul de prindere este simplu de utilizat, reducând timpul și efortul necesar pentru instalare.
Estetică: Aluminiul anodizat oferă un aspect profesional și curat instalației solare.
| TIP PRODUS FOTOVOLTAICE | Kit montare panou solar |
| PUTERE FOTOVOLTAICE | 0 kW |
| SISTEM SOLAR FOTOVOLTAICE | Fotovoltaic |
| MATERIAL FOTOVOLTAICE | Aluminiu |
| UTILIZARE FOTOVOLTAICE | Rezidential, Industrial, Comercial |
MODALITATI DE LIVRARE
Livrarea produselor este efectuata prin intermediul firmei de curierat DPD Romania, doar la nivel national.
Ora maxima pentru expedierea unei comenzi este 14:00.
Termenul pentru livrarea produselor este de 2-3 zile lucratoare.
TAXA DE LIVRARE PENTRU COMENZILE AFLATE SUB ACEST PRAG VA FI ACHITATA IN FUNCTIE DE KG, RESPECTIV:
0-2 KG - 19 RON / 2-11 KG - 29 RON/ 11-22 KG - 39 RON/ 22-40 KG - 69 RON/ 40-50 KG - 79 RON/ 50-70 KG - 99 RON/ 70-100 KG - 109 RON/ 100-150 KG - 169 RON/ 150-200 KG - 219 RON/ 200-300 KG - 300 RON
*Produsele din categoriile SIROCOURI, FRIGIDERE AUTO, ECHIPAMENTE VANATOARE, APARATE AER CONDITIONAT 24V, PROIECTOARE LED/FARURI-LAMPI /GRATARE GAZ SI CARBUNI/ SISTEME FOTOVOLTAICE si CONTAINERE PLIABILE sunt vandute si livrate de SC RADEN AUTO INVEST SRL, SC SMART IMPORT SRL, SC BEST IMPORT SOLUTIONS SRL SI SC SMART ENERGY PARK SRL.
MODALITATI DE PLATA
SMART HEATER (smartheater.ro) va pune la dispozitie urmatoarele metode de plata:
Plata in sistem ramburs
Plata ramburs se efectueaza integral la livrarea comenzii. In cazul livrarii produselor de catre curieri, plata se va face catre comisionarul care efectueaza livrarea.
Plata la sediu
Plata trebuie efectuata integral la sediul magazinului.
Plata online - Euplatesc.ro
Se poate efectua plata online cu cardul personal sau al firmei dumneavoastra, in conditii de siguranta deplina. Cardurile acceptate la plata sunt cele emise sub siglele VISA (Classic si Electron) si MASTERCARD (inclusiv Maestro, daca au cod CVV2/CVC2).
Nu este perceput niciun comision suplimentar pentru tranzactii.
Clema de prindere din aluminiu compatibilă cu șina R19/R22
Aceasta asigură fixarea fermă și stabilă a șinelor de montaj, garantând o instalare sigură și durabilă.
Material: Aluminiu, cunoscut pentru durabilitate și rezistența la coroziune.
Compatibilitate: Proiectată special pentru a fi compatibilă cu șinele de montaj tip R19 și R22.
Durabilitate: Aluminiul este rezistent la intemperii și coroziune, asigurând o durată lungă de viață a clemei.
Fixare Sigură: Designul clemei permite o fixare fermă a șinelor, prevenind mișcările sau deplasările neintenționate.
Compatibilitate Universală: Compatibilitatea cu șinele R19 și R22 o face versatilă pentru diverse sisteme de montaj.
Instalare Ușoară: Sistemul de prindere este simplu de utilizat, reducând timpul și efortul necesar pentru instalare.
Estetică: Aluminiul anodizat oferă un aspect profesional și curat instalației solare.
| TIP PRODUS FOTOVOLTAICE | Kit montare panou solar |
| PUTERE FOTOVOLTAICE | 0 kW |
| SISTEM SOLAR FOTOVOLTAICE | Fotovoltaic |
| MATERIAL FOTOVOLTAICE | Aluminiu |
| UTILIZARE FOTOVOLTAICE | Rezidential, Industrial, Comercial |
MODALITATI DE LIVRARE
Livrarea produselor este efectuata prin intermediul firmei de curierat DPD Romania, doar la nivel national.
Ora maxima pentru expedierea unei comenzi este 14:00.
Termenul pentru livrarea produselor este de 2-3 zile lucratoare.
TAXA DE LIVRARE PENTRU COMENZILE AFLATE SUB ACEST PRAG VA FI ACHITATA IN FUNCTIE DE KG, RESPECTIV:
0-2 KG - 19 RON / 2-11 KG - 29 RON/ 11-22 KG - 39 RON/ 22-40 KG - 69 RON/ 40-50 KG - 79 RON/ 50-70 KG - 99 RON/ 70-100 KG - 109 RON/ 100-150 KG - 169 RON/ 150-200 KG - 219 RON/ 200-300 KG - 300 RON
*Produsele din categoriile SIROCOURI, FRIGIDERE AUTO, ECHIPAMENTE VANATOARE, APARATE AER CONDITIONAT 24V, PROIECTOARE LED/FARURI-LAMPI /GRATARE GAZ SI CARBUNI/ SISTEME FOTOVOLTAICE si CONTAINERE PLIABILE sunt vandute si livrate de SC RADEN AUTO INVEST SRL, SC SMART IMPORT SRL, SC BEST IMPORT SOLUTIONS SRL SI SC SMART ENERGY PARK SRL.
MODALITATI DE PLATA
SMART HEATER (smartheater.ro) va pune la dispozitie urmatoarele metode de plata:
Plata in sistem ramburs
Plata ramburs se efectueaza integral la livrarea comenzii. In cazul livrarii produselor de catre curieri, plata se va face catre comisionarul care efectueaza livrarea.
Plata la sediu
Plata trebuie efectuata integral la sediul magazinului.
Plata online - Euplatesc.ro
Se poate efectua plata online cu cardul personal sau al firmei dumneavoastra, in conditii de siguranta deplina. Cardurile acceptate la plata sunt cele emise sub siglele VISA (Classic si Electron) si MASTERCARD (inclusiv Maestro, daca au cod CVV2/CVC2).
Nu este perceput niciun comision suplimentar pentru tranzactii.
Acest site utilizeaza cookie-uri pentru a oferi o experienta personalizata utilizatorilor si pentru a analiza traficul. Apasand Accept, esti de acord cu utilizarea cookie-urilor. Pentru mai multe informatii, te rugam sa consulti Politica noastra de Cookie-uri.
Cookie-urile sunt mici fisiere text care permit salvarea setarilor si preferintelor tale atunci cand intri pe un site. Acestea sunt folosite pentru imbunatatirea experientei online si pentru personalizarea continutului unui site. Iti respectam dreptul la confidentialitate, astfel ca ai posibilitatea sa administrezi preferintele asa cum doresti. Nu uita ca blocarea anumitor cookie- uri iti poate opri accesul optim la toate functionalitatile magazinului online.
Noi si partenerii nostri folosim cookie-uri sau tehnologii similare pentru a stoca si accesa informatii de pe dispozitivul tau.
Datele pot fi utilizate pentru personalizarea continutului si a reclamelor, pentru a oferi functionalitati de retele sociale si pentru a analiza traficul.
Partenerii nostri pot combina aceste date cu alte informatii colectate in urma utilizarii serviciilor lor.
Poti alege sa accepti toate cookie-urile, doar cele necesare sau sa iti personalizezi preferintele.
Preferintele tale pot fi modificate oricand din sectiunea dedicata confidentialitatii.
Sunt necesare pentru functionarea optima a site-ului, astfel ca trebuie sa ramana active in sistemul nostru.
Acest tip de cookie-uri au legatura directa cu accesarea tuturor sectiunilor si functionalitatilor site-ului:
Acestea sunt folosite pentru analizarea datelor despre traficul unui site, paginile vizualizate, identificarea surselor de trafic sau actiunile utilizatorilor.
Prin intermediul acestor cookie-uri putem analiza rezultatele campaniilor de marketing si putem imbunatati recomandarile si experienta ta pe site.
Informatiile mentionate mai sus sunt colectate intr-un mod complet anonim.
Sunt cookie-uri folosite de catre serviile de social media si de publicitate folosite de catre site.
Utilizarea lor ne ajuta sa beneficiezi de recomandari personalizate, sa afli despre promotii la produse relevante pentru tine si nu in ultimul rand ne ajuta sa masuram eficienta campaniilor de publicitate.
Cookie-urile sunt folosite pentru personalizarea reclamelor in conformitate cu Google Privacy Policy & Terms.