Smart Heater
Soporte frontal para sistema EV
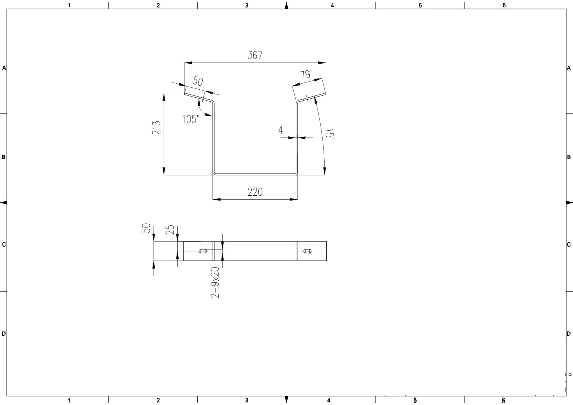
Soporte frontal para sistema EV fabricado en acero bajo en carbono.
El soporte frontal de acero para el sistema EV es un componente esencial en las instalaciones de paneles solares fotovoltaicos, ya que proporciona soporte y estabilidad a los paneles. Este soporte está diseñado para soportar diferentes condiciones climáticas y garantizar un ajuste seguro y duradero.
Especificaciones técnicas:
Material : Acero de alta calidad, tratado para mayor resistencia y durabilidad, a menudo galvanizado para protección contra la corrosión.
Compatibilidad : Especialmente diseñado para su uso con el sistema EV, asegurando un ajuste perfecto y una integración eficiente.
Diseño : El soporte frontal está diseñado para soportar los paneles solares en la parte delantera, manteniéndolos en un ángulo óptimo para capturar la luz solar.
Características y beneficios:
Durabilidad : El acero se elige por su resistencia a las fuerzas mecánicas y a las condiciones ambientales difíciles, garantizando una larga vida útil del soporte.
Resistencia a la Corrosión : El acabado galvanizado u otros tratamientos protectores ayudan a prevenir la corrosión, extendiendo así la durabilidad del soporte en ambientes húmedos o salinos.
Estabilidad : El soporte frontal asegura una fijación firme de los paneles solares, evitando movimientos y asegurando la estabilidad del sistema incluso en condiciones de viento fuerte.
Fácil de instalar : la construcción permite un montaje fácil y rápido en las estructuras de soporte del sistema EV, ahorrando tiempo y esfuerzo durante la instalación.
Ajustabilidad : Algunos modelos pueden permitir el ajuste del ángulo de montaje, optimizando así la captura de luz solar según la ubicación geográfica y las condiciones climáticas.
| TIPO DE PRODUCTO FOTOVOLTAICO | Kit de montaje de paneles solares |
| ENERGÍA FOTOVOLTAICA | 0 kilovatios |
| SISTEMA SOLAR FOTOVOLTAICO | fotovoltaica |
| MATERIAL FOTOVOLTAICO | Acero |
| USO FOTOVOLTAICO | Residencial, Industrial, Comercial |
MÉTODOS DE ENTREGA
Los productos se entregan a través de la empresa de mensajería DPD, únicamente a nivel nacional.
El horario máximo para enviar un pedido es las 14:00 horas.
El plazo de entrega de los productos es de 2-3 días laborables.
LOS GASTOS DE ENVÍO PARA PEDIDOS POR DEBAJO DE ESTE UMBRAL SE PAGARÁN SEGÚN KG, RESPECTIVAMENTE:
0-2 KG - 3,82 EUR / 2-11 KG - 6,03 EUR / 11-22 KG - 7,84 EUR / 22-40 KG - 13,86 EUR / 40-50 KG - 15,87 EUR / 50-70 KG - 19,89 EUR / 70-100 KG - 21,90 EUR / 100-150 KG - 33,75 EUR / 150-200 KG - 43,97 EUR / 200-300 KG - 60,27 EUR
*Los productos de las categorías SIROKERS, REFRIGERADORES PARA COCHES, EQUIPOS DE CAZA, AIRE ACONDICIONADO 24V, FAROS LED/LUCES-LÁMPARAS/PARRILLAS DE GAS Y CARBÓN/SISTEMAS FOTOVOLTAICOS y CONTENEDORES PLEGABLES son vendidos y entregados por SC RADEN AUTO INVEST SRL, SC SMART IMPORT SRL , SC BEST IMPORT SOLUTIONS SRL Y SC SMART ENERGY PARK SRL.
FORMAS DE PAGO
SMART HEATER (smartheater.ro) ofrece los siguientes métodos de pago:
Pago en efectivo contra entrega
El pago contra reembolso se realiza íntegramente a la entrega del pedido. En el caso de entrega de productos por mensajería, el pago se realizará al comisario que realice la entrega.
Pago en la oficina
El pago deberá realizarse íntegramente en las instalaciones de la tienda.
Pago en línea - PlatiOnline.ro
El pago online podrá realizarse con su tarjeta personal o de empresa, en total seguridad. Las tarjetas aceptadas para el pago son las emitidas con los logos VISA (Classic y Electron) y MASTERCARD (incluida Maestro, si tienen código CVV2/CVC2).
No se cobra comisión adicional por las transacciones.
Soporte frontal para sistema EV fabricado en acero bajo en carbono.
El soporte frontal de acero para el sistema EV es un componente esencial en las instalaciones de paneles solares fotovoltaicos, ya que proporciona soporte y estabilidad a los paneles. Este soporte está diseñado para soportar diferentes condiciones climáticas y garantizar un ajuste seguro y duradero.
Especificaciones técnicas:
Material : Acero de alta calidad, tratado para mayor resistencia y durabilidad, a menudo galvanizado para protección contra la corrosión.
Compatibilidad : Especialmente diseñado para su uso con el sistema EV, asegurando un ajuste perfecto y una integración eficiente.
Diseño : El soporte frontal está diseñado para soportar los paneles solares en la parte delantera, manteniéndolos en un ángulo óptimo para capturar la luz solar.
Características y beneficios:
Durabilidad : El acero se elige por su resistencia a las fuerzas mecánicas y a las condiciones ambientales difíciles, garantizando una larga vida útil del soporte.
Resistencia a la Corrosión : El acabado galvanizado u otros tratamientos protectores ayudan a prevenir la corrosión, extendiendo así la durabilidad del soporte en ambientes húmedos o salinos.
Estabilidad : El soporte frontal asegura una fijación firme de los paneles solares, evitando movimientos y asegurando la estabilidad del sistema incluso en condiciones de viento fuerte.
Fácil de instalar : la construcción permite un montaje fácil y rápido en las estructuras de soporte del sistema EV, ahorrando tiempo y esfuerzo durante la instalación.
Ajustabilidad : Algunos modelos pueden permitir el ajuste del ángulo de montaje, optimizando así la captura de luz solar según la ubicación geográfica y las condiciones climáticas.
| TIPO DE PRODUCTO FOTOVOLTAICO | Kit de montaje de paneles solares |
| ENERGÍA FOTOVOLTAICA | 0 kilovatios |
| SISTEMA SOLAR FOTOVOLTAICO | fotovoltaica |
| MATERIAL FOTOVOLTAICO | Acero |
| USO FOTOVOLTAICO | Residencial, Industrial, Comercial |
MÉTODOS DE ENTREGA
Los productos se entregan a través de la empresa de mensajería DPD, únicamente a nivel nacional.
El horario máximo para enviar un pedido es las 14:00 horas.
El plazo de entrega de los productos es de 2-3 días laborables.
LOS GASTOS DE ENVÍO PARA PEDIDOS POR DEBAJO DE ESTE UMBRAL SE PAGARÁN SEGÚN KG, RESPECTIVAMENTE:
0-2 KG - 3,82 EUR / 2-11 KG - 6,03 EUR / 11-22 KG - 7,84 EUR / 22-40 KG - 13,86 EUR / 40-50 KG - 15,87 EUR / 50-70 KG - 19,89 EUR / 70-100 KG - 21,90 EUR / 100-150 KG - 33,75 EUR / 150-200 KG - 43,97 EUR / 200-300 KG - 60,27 EUR
*Los productos de las categorías SIROKERS, REFRIGERADORES PARA COCHES, EQUIPOS DE CAZA, AIRE ACONDICIONADO 24V, FAROS LED/LUCES-LÁMPARAS/PARRILLAS DE GAS Y CARBÓN/SISTEMAS FOTOVOLTAICOS y CONTENEDORES PLEGABLES son vendidos y entregados por SC RADEN AUTO INVEST SRL, SC SMART IMPORT SRL , SC BEST IMPORT SOLUTIONS SRL Y SC SMART ENERGY PARK SRL.
FORMAS DE PAGO
SMART HEATER (smartheater.ro) ofrece los siguientes métodos de pago:
Pago en efectivo contra entrega
El pago contra reembolso se realiza íntegramente a la entrega del pedido. En el caso de entrega de productos por mensajería, el pago se realizará al comisario que realice la entrega.
Pago en la oficina
El pago deberá realizarse íntegramente en las instalaciones de la tienda.
Pago en línea - PlatiOnline.ro
El pago online podrá realizarse con su tarjeta personal o de empresa, en total seguridad. Las tarjetas aceptadas para el pago son las emitidas con los logos VISA (Classic y Electron) y MASTERCARD (incluida Maestro, si tienen código CVV2/CVC2).
No se cobra comisión adicional por las transacciones.
Pide información
Solicitar publicación en SEAP


