Smart Heater
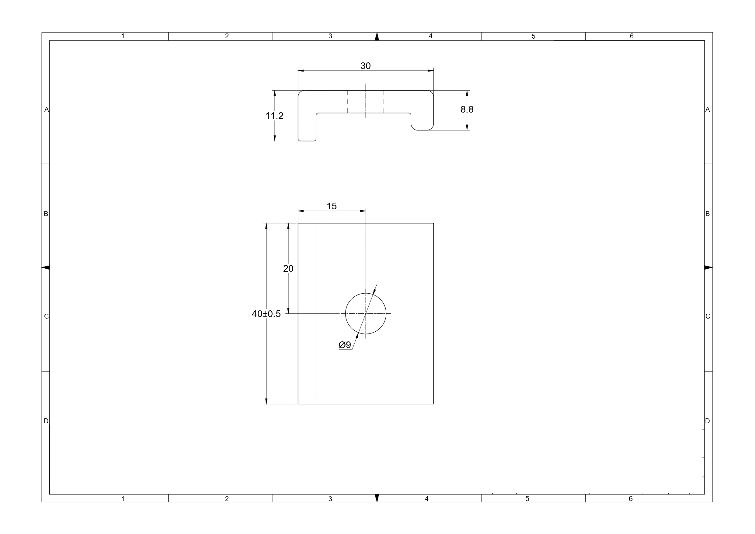
Алуминиева релсова скоба за фотоволтаични системи EV структура
EV системна релсова скоба.
Материал: неръждаема стомана + алуминий
| Тип фотоволтаичен продукт | Комплект за монтаж на соларен панел |
| Фотоволтаична_мощност | 0 kW |
| Фотоволтаична_съвместима слънчева система | PV |
| Фотоволтаичен_материал | алуминий |
| Използване на фотоволтаици | Индустриален, Търговски, Жилищен |
НАЧИН НА ДОСТАВКА
Продуктите се доставят чрез куриерска фирма DPD, само на национално ниво.
Максималното време за изпращане на поръчка е 14:00ч.
Срокът за доставка на продуктите е 4-5 работни дни.
ТАКСАТА ЗА ДОСТАВКА ЗА ПОРЪЧКИ ПОД ТОЗИ ПРАГ ЩЕ СЕ ЗАПЛАЩА СЪОТВЕТНО ПО KG:
0-2 KG - 7,47 BGN / 2-11 KG - 11,40 BGN / 11-22 KG - 15,35 BGN / 22-40 KG - 27,13 BGN / 40-50 KG - 31,08 BGN / 50-70 KG - 38,98 BGN / 70-100 KG - 42,93 BGN / 100-150 KG - 66,43 BGN / 150-200 KG - 86,05 BGN / 200-300 KG - 117,91 BGN
*Продуктите от категориите СИРОКЕРИ, АВТОХЛАДИЛНИЦИ, ЛОВНА ОБОРУДВАНЕ, КЛИМАТИЧНИ УРЕДИ 24V, LED ФАРОВЕ/СВЕТЛИНЕ-ЛАМПИ/СКАРИ НА ГАЗ И ВЪГЛИЩА/ ФОТОВОЛТАИЧНИ СИСТЕМИ и СГЪВАЕМИ КОНТЕЙНЕРИ се продават и доставят от SC RADEN AUTO INVEST SRL, SC SMART IMPORT SRL , SC BEST IMPORT SOLUTIONS SRL И SC SMART ENERGY PARK SRL.
НАЧИНИ ЗА ПЛАЩАНЕ
SMART HEATER (smartheater.ro) ви предлага следните методи на плащане:
Плащане с наложен платеж Плащането с наложен платеж се извършва изцяло при доставка на поръчката. В случай на доставка на продуктите чрез куриери, плащането ще бъде извършено на комисионера, който извършва доставката. Плащането трябва да се извърши изцяло на място в магазина - PlatiOnline.ro може да се извърши онлайн плащане с вашата лична или фирмена карта, при безопасни условия пълен За плащане се приемат карти с логото VISA (Classic и Electron) и MASTERCARD (включително Maestro, ако имат CVV2/CVC2 код) Не се начислява допълнителна комисиона за транзакции.
EV системна релсова скоба.
Материал: неръждаема стомана + алуминий
| Тип фотоволтаичен продукт | Комплект за монтаж на соларен панел |
| Фотоволтаична_мощност | 0 kW |
| Фотоволтаична_съвместима слънчева система | PV |
| Фотоволтаичен_материал | алуминий |
| Използване на фотоволтаици | Индустриален, Търговски, Жилищен |
НАЧИН НА ДОСТАВКА
Продуктите се доставят чрез куриерска фирма DPD, само на национално ниво.
Максималното време за изпращане на поръчка е 14:00ч.
Срокът за доставка на продуктите е 4-5 работни дни.
ТАКСАТА ЗА ДОСТАВКА ЗА ПОРЪЧКИ ПОД ТОЗИ ПРАГ ЩЕ СЕ ЗАПЛАЩА СЪОТВЕТНО ПО KG:
0-2 KG - 7,47 BGN / 2-11 KG - 11,40 BGN / 11-22 KG - 15,35 BGN / 22-40 KG - 27,13 BGN / 40-50 KG - 31,08 BGN / 50-70 KG - 38,98 BGN / 70-100 KG - 42,93 BGN / 100-150 KG - 66,43 BGN / 150-200 KG - 86,05 BGN / 200-300 KG - 117,91 BGN
*Продуктите от категориите СИРОКЕРИ, АВТОХЛАДИЛНИЦИ, ЛОВНА ОБОРУДВАНЕ, КЛИМАТИЧНИ УРЕДИ 24V, LED ФАРОВЕ/СВЕТЛИНЕ-ЛАМПИ/СКАРИ НА ГАЗ И ВЪГЛИЩА/ ФОТОВОЛТАИЧНИ СИСТЕМИ и СГЪВАЕМИ КОНТЕЙНЕРИ се продават и доставят от SC RADEN AUTO INVEST SRL, SC SMART IMPORT SRL , SC BEST IMPORT SOLUTIONS SRL И SC SMART ENERGY PARK SRL.
НАЧИНИ ЗА ПЛАЩАНЕ
SMART HEATER (smartheater.ro) ви предлага следните методи на плащане:
Плащане с наложен платеж Плащането с наложен платеж се извършва изцяло при доставка на поръчката. В случай на доставка на продуктите чрез куриери, плащането ще бъде извършено на комисионера, който извършва доставката. Плащането трябва да се извърши изцяло на място в магазина - PlatiOnline.ro може да се извърши онлайн плащане с вашата лична или фирмена карта, при безопасни условия пълен За плащане се приемат карти с логото VISA (Classic и Electron) и MASTERCARD (включително Maestro, ако имат CVV2/CVC2 код) Не се начислява допълнителна комисиона за транзакции.
Поискайте информация
Поискайте публикуване в seap


